Skip Navigation.
Section 0

Field Change Notice FCN2-001

August 12, 1982

Effectivity: Chroma, Model 2103, Serial Numbers 0011 through 0060.

Reason for Change: To prevent Dual Channel Boards from drifting beyond tuning range after warm up. (See also Field Change Notice FCN2-005.)

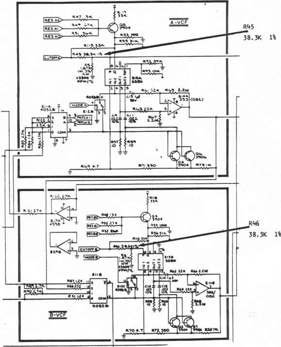
Material Required: (16) 38.3K OHM, 1/4w, 1% Resistors

Parts Kit: Order KFC2-001.

Procedure

Remove R45, 39.2K Ohm, 1/4W resistor from the "A"-VCF and R46, 39.2K Ohm, 1/4W resistor from the "B"-VCF, on all eight Dual Channel Boards. Replace them with 38.3K Ohm, 1% resistors. Note: It is permissible to parallel the 39.2K Ohm resistors with 1.8M Ohm, 1/4W, 5% resistors if more readily available.

Bill Thomas
Rhodes Chroma National Service Manager