Field Change Notice FCN3-008
October 26, 1983
Effectivity: Chroma, Model 2101 through 2104, and Expander, Model 1633, all Serial Numbers through 0800.
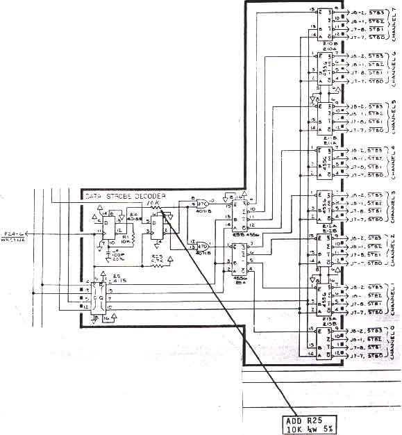
Reason for Change: To delay the write Synthesizer Address Latch Strobe (WRSYNA), thereby preventing the previously latched address from falsely strobing the channels. This eliminates possible intermittent conditions when using the two output selects with linked and main programs.
Material Required: (1) 301000314, 10K OHM, 1/4W, 5% RESISTOR.
Parts Kit: Order Parts Kit KFC 3-008.
Procedure
Cut trace between Z4-Pin 12 and Z7-Pin 12 in the Data Strobe Decoder on the Channel Mother Board (components side) adn install R25, a 10K OHM< 1/4W, 5% Resistor. See drawings.
Bill Thomas
Rhodes Chroma National Service Manager ![]()

